产品型号:QT
电机电源:110/220V AC 1PH,380/440V AC 3PH,50/60Hz,±10%
控制电源:110/220V AC 1PH,50/60 Hz,±10%
电机类型:鼠笼式异步电动机
限位开关:2 X 开/关,SPDT,250V AC 10A
环境温度:-20℃~+70℃
输入信号:4~20mA,或 0~10DVC
输出信号:4~20mA,或 0~10DVC
调节范围:零8mA,开16mA
位置回转精度:0.5~1.5%(取决于安装情况)
销售热线:
产品概述
QT系列防爆电动执行器用于控制旋转小于360°的阀门及同类产品,如电工阀、球阀、风门、挡板阀、旋塞阀、百叶阀等。广泛用于石油、化工、电力、冶金、水处理、船舶、制药、造纸、供热、制冷、轻工等行业中。它以380V/220V/110V交流电源为驱动电源,以4-20mA电流信号或0-10V DC电压信号为控制信号。可使阀门运动到的需位置,实现其自动化控制,较大输出扭矩达5000N.m。
产品特点
1、外壳—由于使用了优质铝合金,重量轻。并且内外表面经阳极氧化处理,外表面经聚酯粉末涂层,耐腐蚀性强。
2、电机—采用SPG鼠笼式电机,输出扭距大,并且内置热保护开关,进行温度控制,可防止损坏电机。
3、受动结构—不通电时,扳动离合器手柄可进行手动操作。通电时,离合器自动复位。
4、位置指示器—指示器安装在中心轴上,可以观察阀门位置。并有指示灯(SLU)可供选择。
5、干燥器—用来控制温度,防止执行器内部水分凝结,保持内部电器元件的干燥。
6、限位开关—由凸轮机构来控制,简单的调整机构能精确并方便地设定位置。
7、扭距开关(除QT-008外)—可提供过载保护,防止损坏电机。(出厂前以设定好,请用户不要随便更改设置)。
8、自锁—有自锁功能,防止反转,转动部分稳定可靠。
9、安装—底部安装尺寸符合ISO5211国际标准,驱动轴套可拆下根据需要进行加工,适应性强。可以垂直安装,也可以水平安装。
10、接线端子—线路布置紧凑合理,接线端子直径为2.5mm,压力大,联接牢固。
11、蜗轮—采用凹轮设计,与蜗杆的接触面大,传输扭距大,平稳且耐磨,使用寿命长。
12、PCU板—结构紧凑合理,将PCU板内置于机壳内。
主要性能参数
| 型号 |
较大输 出扭矩 |
动作 时间 |
较大 轴径 |
电机F级 | 额定电流(A)60/50Hz |
手轮 转数 |
重量 | |||
| 60/50Hz | 单相 | 三相 | ||||||||
| N.m | 90°(s) | mm | W | 110V | 220V | 380V | 440V | N | Kg | |
| QT-008 | 80 | 13/16 | Ф20 | 20 | 1.10/0.95 | 0.55/0.54 | N/A | N/A | 10 | 7.4 |
| QT-015 | 150 | 21/25 | Ф22 | 40 | 1.65/1.67 | 0.88/0.84 | 0.31/0.31 | 0.30/0.31 | 11 | 16.6 |
| QT-020 | 200 | 21/25 | Ф22 | 40 | 1.67/1.67 | 0.89/0.85 | 0.31/0.31 | 0.30/0.31 | 11 | 16.6 |
| QT-030 | 300 | 26/31 | Ф35 | 40 | 1.85/1.86 | 0.92/0.92 | 0.35/0.35 | 0.34/0.34 | 13.5 | 22 |
| QT-050 | 500 | 26/31 | Ф35 | 90 | 3.60/3.62 | 1.55/1.58 | 0.59/0.59 | 0.58/0.58 | 13.5 | 23 |
| QT-060 | 600 | 26/31 | Ф35 | 120 | 3.65/3.62 | 1.60/2.20 | 0.60/0.59 | 0.59/0.58 | 13.5 | 23 |
| QT-080 | 800 | 31/37 | Ф45 | 180 | 4.10/4.10 | 2.15/2.20 | 0.85/0.85 | 0.79/0.79 | 16.5 | 29 |
| QT-120 | 1200 | 31/37 | Ф45 | 180 | 4.20/4.10 | 2.35/2.30 | 0.87/0.87 | 0.81/0.81 | 16.5 | 29 |
| QT-200 | 2000 | 93/112 | Ф65 | 180 | 4.10/4.10 | 2.15/2.30 | 0.85/0.85 | 0.79/0.79 | 49.5 | 75 |
| QT-300 | 3000 | 93/112 | Ф65 | 180 | 4.20/4.10 | 2.35/2.30 | 0.87/0.87 | 0.81/0.81 | 49.5 | 75 |
标准件技术参数
| 外壳 | 防水级别IP67,NEMA4 and 6 |
| 电机电源 | 110/220V AC 1PH,380/440V AC 3PH,50/60Hz,±10% |
| 控制电源 | 110/220V AC 1PH,50/60 Hz,±10% |
| 负载率(开关) | S2 30% |
| 电机 | 鼠笼式异步电动机 |
| 限位开关 | 2 X 开/关,SPDT,250V AC 10A |
| 辅助限位开关 | 2 X 开/关,SPDT,250V AC 10A(QT-008除外) |
| 扭矩开关 | 开/关,SPDT,250V AC 10A(QT-008除外) |
| 行程 | 90°±10°(0°~110°) |
| 失速保护/操作温度 | 内置热保护,开150℃±5℃ /关 97℃±15℃ |
| 指示器 | 连续的位置指示 |
| 手动操作 | 机械离合机构 |
| 自锁装置 | 蜗轮,蜗杆机构提供自锁 |
| 机械限位 | 2个外部调整螺栓 |
| 干燥器 | 7-10W(110/220V AC)防冷凝 |
| 接线孔 | 2个PF 3/4” |
| 环境温度 | -20℃~+70℃ |
| 润滑 | 铝基润滑脂(EP型) |
| 材料 | 钢,铝合金,铝青铜,聚碳酸脂 |
| 环境湿度 | 较大90% RH(非凝结) |
| 抗震性能 | X Y Z 10g,0.2~34 Hz,30分钟 |
| 外涂层 | 干粉,环氧聚脂 |
执行器可选件技术参数
| EXA | 防爆外壳(EexdⅡ CT6) | QT系列 |
| WTA | 防水外壳(IP68,10M,250HR) | QT系列 |
| PIU | 电位计(1K-10K) | QT系列 |
| IMS | 反向电磁控制和传送集成电机启动器 | QT系列 |
| PCU | 比例控制单元(输入,输出4-20mADC) | QT系列 |
| ATS | 附加扭矩开关(SPDT X2 250V AC 10A) | QT系列 |
| LCU | 现场控制单元(远程控制/开/停/关选择开关) | 除QT-005/008/010外 |
| CPT | 电流位置传感器(输出4-20mADC) | QT系列 |
| RBP | 可充电电池(断电应急控制) | QT系列 |
| EXT | 120°,180°,270°转角 | QT系列 |
| DCM | 直流电机(24VDC) | QT系列 |
| LPA | 卧式安装,带输出拐臂 | QT系列 |
| SLU | 信号指示单元(白-电源,绿-开,红-关,黄-扭矩过载) | QT系列 |
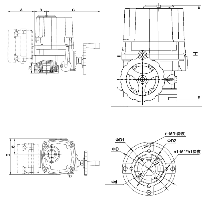
主要外形尺寸
|
型号 |
A |
B |
C |
H |
H1 |
H2 |
Φd |
ΦD |
D1 |
D2 |
n-M-h |
n1-M1-h1 |
|
QT-005 |
137 |
54 |
216 |
234 |
161 |
71 |
20 |
90 |
70 |
- |
4-M8*12 |
- |
|
QT-008 |
137 |
54 |
216 |
234 |
161 |
71 |
20 |
90 |
70 |
- |
4-M8*12 |
- |
|
QT-010 |
137 |
54 |
216 |
234 |
161 |
71 |
20 |
90 |
70 |
- |
4-M8*12 |
- |
|
QT-015 |
140 |
81 |
265 |
290 |
240 |
100 |
22 |
125 |
102 |
70 |
4-M10-17 |
4-M8-17 |
|
QT-020 |
140 |
81 |
265 |
290 |
240 |
100 |
22 |
125 |
102 |
70 |
4-M10-17 |
4-M8-17 |
|
QT-030 |
140 |
82 |
276 |
290 |
240 |
100 |
35 |
150 |
125 |
102 |
4-M12-17 |
4-M10-17 |
|
QT-050 |
140 |
82 |
276 |
290 |
240 |
100 |
35 |
150 |
125 |
102 |
4-M12-17 |
4-M10-17 |
|
QT-060 |
140 |
100 |
276 |
290 |
240 |
100 |
45 |
180 |
140 |
125 |
4-M16-20 |
4-M12-20 |
|
QT-080 |
140 |
100 |
290 |
322 |
240 |
100 |
45 |
180 |
140 |
125 |
4-M16-20 |
4-M12-20 |
|
QT-120 |
140 |
100 |
290 |
322 |
240 |
100 |
45 |
180 |
140 |
125 |
4-M16-20 |
4-M12-20 |